Sivu 1/1
Kierroslukumittari Night Train '09:iin
Lähetetty: 20:04 12.08.2018.
Kirjoittaja Jake71
Moi!
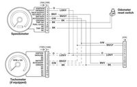
Ostin käytettynä Harrikan kierroslukumittarin (67348-04D), joka taitaa olla aika yleinen 2000 -luvun tuplamittaripyörissä (mm. Dynassa, Sportsterissa ja Touringeissa). Kokeilin sen toimivuutta liitteen kuvan mukaisin kytkennöin siten

- Kytkentäkaavio mittareille
, että varastin nuo piuhalähdöt tuosta nopeusmittarin liittimestä, sillä kuvan mukaan ne näyttäisivät olevan ihan samoja piuhoja kuin mitä kierroslukumittarissakin käytetään; eli liitin pois nopeusmittarista ja kierroslukumittarin piuhojen päät ko. liittimen napoihin. Kierroslukumittariin syttyi kyllä valo (eli se mittarin keskellä kajastava lamppu), mutta viisaripa ei värähtänyt, ei edes siinä kierroslukumittarissa.
Olisinkin kysynyt nyt teiltä viisaammilta, että onkohan tuo testini ollut periaatteiltaan oikein; eli tuleeko kierroslukumittariin tarvittava data noilta kytkennöiltä? Vaihtoehtoja ongelmaan on siis se, että kytkennät olivat jollain tapaa väärin, tai että tuo mittari on sökö (voi tietysti olla ettei tuo testikytkentäkään ollut kontaktiensa puolesta ihan idioottivarma). Olisiko kenelläkään ideaa mistä tuota voisi lähteä seuraavana tutkailemaan?
Re: Kierroslukumittari Night Train '09:iin
Lähetetty: 09:44 13.08.2018.
Kirjoittaja jty
09 vaihtui dataväyläksi CAN joten ei pysty vanhempaa mittaria siihen liittään. Ite en ees kokeilis, sen verran erilaiset jännitteet.
Re: Kierroslukumittari Night Train '09:iin
Lähetetty: 22:31 13.08.2018.
Kirjoittaja Jake71
OK, kiitokset tiedosta!! Mitenhän sitten esim. tuplamittarissa 70900071A (
https://www.harley-davidson.com/store/5 ... peedo-tach) hallitaan tuo dataväylän vaihtuminen; kyseisen mittarin kun luvataan käyvän mm. Softaileihin vuosimallia 2004-2010... liekö tuohon sitten joku kikka...
Re: Kierroslukumittari Night Train '09:iin
Lähetetty: 10:08 14.08.2018.
Kirjoittaja UrpoTJ
Eikös jo 2000-luvun alun malleissa ruvennut data kulkemaan ns. serial bus -kautta. Mm. moottorin ohjaus toimi tämän väylän kautta. Tällä menetelmällä saatiin vikakoodit esiin. Mutta johdot esim. käsikontrolleihin ovat ihan plus- ja miinussähköjohtoja.
CANBUS on kaiketi eri asia. Sillä ruvettiin "ohjaamaan" kaikkia sähkölaitteita (vilkkuja ym.) väylän kautta. Tämä tuli eri malleihin eri aikaan, Softaileihin 2011, Dynat 2012 ja 2014 Touringeihin ja Sportstereihin eli kaikkiin loppuihin? Tästä on hieman vaihtelevaa tietoa kyllä netissä...
Softailit 2004...2010 eivät siis olleet CANBUS-väylällä.
Mutta dataa tulee kierroslukumittaria varten siis jo 2009-mallissakin. Saahan sen tiedon tarvikekierroslukumittareihin muutakin kautta, minulla on näin tehty kun ei ole HD-kierroslukumittari.

Re: Kierroslukumittari Night Train '09:iin
Lähetetty: 11:27 14.08.2018.
Kirjoittaja Jake71
Urpo tuossa yläpuolla taitaa kyllä olla aivan oikeassa (kiitokset siis tuosta tiedosta!! Se sai minutkin tutkimaan hieman tuota CANBUS asiaa...). Mm. veljemme Ameriikassa käyvät muutamassa ketjussa asiaan liittyvää keskustelua (
https://www.hdforums.com/forum/softail- ... ing-2.html ,
https://www.hdforums.com/forum/ignition ... anbus.html), ja Cruise Controllia Australiassa myyvän McCruisen luulisi myös olevan perillä asiasta (
https://www.mccruise.com/collections/ha ... pre-canbus); heidän(kin) mukaansa CAN tuli Softaileihin 2011 ja Dynaan 2012. Ja kun tuo nopeusmittarin liitinkin on minunkin pyörässäni täysin vastaava kuin tuossa ensimmäisen viestini liitteen kuvassa, luulisi kierroslukumittarinkin käyttävän samalaisia liitäntöjä; CANBUSin liitännät ovat noiden jenkkiviestiketjujenkin perusteella jo näöltäänkin täysin toisenlaisia (kai jotain 2 piuhan viritelmiä). Eli tarkastanpa savun hälvettyä nuo kytkentäni, ja käytän vaikka jotain oikeita liittimiä ja suoritan kokeen uudelleen...
Re: Kierroslukumittari Night Train '09:iin
Lähetetty: 10:32 15.08.2018.
Kirjoittaja jty
Joo toi vuosi kun vaihtui ei ollutkaan 2009, seison korjattuna.
Softail vaihtui 2011, dyna 2012, Sportster ja touring 2014.
Tekniikasta sen verran että samat mittarinohjaukset siellä piuhalla kulkee, vanhoissa J1850 sarjaväylällä ja uusissa CAN sarjaväylällä, CAN myötä väylälle on viety myös ainakin radion ohjauskontrollit, mutta se väylän perustehtävä on kuljettaa eculta (ja abs:ltä) informaatiota mittar(e)ille ja mahdollistaa ecun ohjelmointi ja diagnostiikka. Lisäksi tssm avaa sitä kautta sähköisen lukituksen ja abs kertoo eculle tietoja. Myös tossa vanhassa väylässä tulee vilkkujen ohjaus mutta pyörässä niitä ohjaa ecu erillisillä piuhoilla.
Tuossa vanhemmassa j1850 väylässä signalointi on +8V = 1 ja 0V = 0 joten jos mittaat siitä yleismittarilla jännitteen niin virrat päällä ja run/stop asennossa run pitäis mittarin vilkutella jotain 2V paikkeilla.
Lisäks sen verran että ainakin touringissa on kaks maadoituspistettä ja piuhaa, likainen (musta) ja puhdas (musta/vihreä). Kaikki anturit ja väyläliityntäiset on puhtaassa maassa eli ota maadoitus samasta