Softail hukkasi elämänlangan....
Softail hukkasi elämänlangan....
Auttakee miestä mäessä. Ostin ensimmäisen H-D:n 2000 Softail pääsin 900m ja sit hukku elämä. Eli ei tule kipinää...nyt kiperä kysymys. Tämä BAS anturi johon menee 12vDC maa ja yksi johto menee sytkän ohjaus purkille. Pitäisikö tässä sytkä purkille menevässä johdossa olla 12VDC vai maa. Tällä hetkellä ei kumpaakaan. Startti pyörii hienosti mutta vain kipinä puuttuu.....Olisi mukava ajella vähän pitemmästikkin...Vai onko jotain muuta mitä kannattaisi epäillä...tiedän etttä tämän vuosimallin sähköt on mitä on...mutta
Re: Softail hukkasi elämänlangan....
Ohjaustangon tappokytkin johdotuksineen mitattu? Eikä oo mahdollinen ajonesto päällä? Systeemit on aikalailla erilaiset ruiskussa ja kaasariversiossa, kumpikohan kyseessä?
Ex. FL -53 Wishbone Panhead bobber, ex. 2002 FLHR
Re: Softail hukkasi elämänlangan....
Startti pyörii niin eikös silloin tappokatkasin toimi oikein....kaasari peli kyseessä
Re: Softail hukkasi elämänlangan....
Tuleeko puolalle 12V.
- -Harikka-
- Viestit: 5056
- Liittynyt: 09:50 15.11.2002.
- Paikkakunta: 'suur'-Salo:n saaristo merenranta kauppala
- Viesti:
Re: Softail hukkasi elämänlangan....
Oi anatovi,anatovi kirjoitti: 18:40 18.08.2021. Startti pyörii niin eikös silloin tappokatkasin toimi oikein....kaasari peli kyseessä
Saattas olla hyödyllistä laittaa kylä, tahi lähin suurehko kauppala näkyvii, lähistöllä oleva tietäjä saattaa tarvittaessa lähistöltä tulla kurkkaamaa
Ja rätkän malli & vuosi allekirjotuksee
'Vintage' 2001 TC 95cid (small bore) 1557cc kaasari FXSTB.
Emilia ChromeTrain, ex NighTrain, 'kevyesti' muokattu & piristetty

Emilia ChromeTrain, ex NighTrain, 'kevyesti' muokattu & piristetty
Re: Softail hukkasi elämänlangan....
Pyörä Äänekoskella. Pyörä Softail night train FXSTB vuosimalli 2000
Re: Softail hukkasi elämänlangan....
Onko pyörä alkuperäiskunnossa vai rakenneltu?
Onko sähköjä muuteltu?
Onko sähköjä muuteltu?
moderattori
Romu rauhoittaa!
Romu rauhoittaa!
Re: Softail hukkasi elämänlangan....
Pyörä rakennettu. Sähköjäkin muuteltu mm. Mittari Revtech sytkäboxi Dyna tc88 p2
Re: Softail hukkasi elämänlangan....
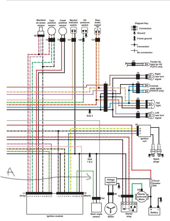
Kyse on tosta johdosta (A) eli kuuluuko olla jännite vai maa ?
Re: Softail hukkasi elämänlangan....
Jossain ohjeessa kerrottiin "BAS resetoinnin" vaativan virtojen käyttämistä päällä ja pois 4 kertaa.
Tuossa kulkee mielestäni väyläsignaali eli 5-7V, tuon pitäsi sytyttää myös vikavalon mittarissa. Jotakin tekemistä myös ajoneston kanssa.
Noista antureista on ollut aikoinnan myös takaisinkutsu...
Tuossa kulkee mielestäni väyläsignaali eli 5-7V, tuon pitäsi sytyttää myös vikavalon mittarissa. Jotakin tekemistä myös ajoneston kanssa.
Noista antureista on ollut aikoinnan myös takaisinkutsu...
You live more in 5 minutes on a bike like this going flatout, than some people live in a lifetime.
-Burt Munro
-Burt Munro
- Veijo Esso
- Viestit: 1158
- Liittynyt: 12:09 07.09.2016.
- Paikkakunta: Rajamäki
- Viesti:
Re: Softail hukkasi elämänlangan....
Eikö tuo ollut vielä ihan mekaaninen kytkin, jossa joku kuula tms. katkaisee virran kun kallistuu tarpeeksi? Minusta tuossa pitäisi näkyä jännitettä kun virta on päällä ja pyörä pystyssä. Eri asia sitten on miten sytkäboksi sen kanssa toimii ja tarvitseeko se jotain taikatemppuja nollaukseen.
Uudemmissa ja enemmän väylää käyttävissä BAS on osana vilkkumoduulia ja se diagnosointiin ei jännitemittari riitä.
Uudemmissa ja enemmän väylää käyttävissä BAS on osana vilkkumoduulia ja se diagnosointiin ei jännitemittari riitä.
XL 883C -07 | FLSTF -98
Re: Softail hukkasi elämänlangan....
Jos tämä olisi uudempi, ehdottaisin heti systeemireleen uusimista. Sen vioittuminen aiheutti minulla juuri samanlaiset oireet. Mutta kun tässä on vain starttirele, sen vikaantuminen ei moista voine aiheuttaa.
Eikös tässä ole kampiakselin asentotunnistin, tuo Crank Position Sensor? Jos se ei kerro akselin pyörivän niin kipinä häviää. Tuon toimintaa voi periaatteessa myös mitata kun saa moottorin pyörimäänn, mutta on vähän hankalampaa.
Ainakin tämän anturin liittimen irroittaisin ja uudelleenkiinnittäisin. Uudemmissa tämä magneettinen anturi on helppo pyyhkiä puhtaaksi mahdollisista toimintaa haittaavista metallihipuista. Joskus on auttanut, mutta useammin on varmaan tarvinnut uusia jos tästä ei pyörimistietoa lähde.
Eikös tässä ole kampiakselin asentotunnistin, tuo Crank Position Sensor? Jos se ei kerro akselin pyörivän niin kipinä häviää. Tuon toimintaa voi periaatteessa myös mitata kun saa moottorin pyörimäänn, mutta on vähän hankalampaa.
Ainakin tämän anturin liittimen irroittaisin ja uudelleenkiinnittäisin. Uudemmissa tämä magneettinen anturi on helppo pyyhkiä puhtaaksi mahdollisista toimintaa haittaavista metallihipuista. Joskus on auttanut, mutta useammin on varmaan tarvinnut uusia jos tästä ei pyörimistietoa lähde.
Re: Softail hukkasi elämänlangan....
Sen verran asiaa tutkin että löysin lontoonkielisiltä sivuilta kommentin missä sanottiin että olisi Hall-anturi ja kun mittasin sytytyksen ohjaus boxille tulevasta piuhasta siellä oli +5VDC mikä tarkoittaa että BAS sensor tripped. Kun on kunnossa ja pyörä pystyssä pitäisi olla n.0.6VDC. Viikonloppuna takapyörä pois ja anturi irti.... 
Re: Softail hukkasi elämänlangan....
Ei olisi ensimmäinen kerta, kun muutetussa laitteessa kaatumisanturi on ollut huonosti kiinni ja päässyt putoamaan väärään asentoon.
moderattori
Romu rauhoittaa!
Romu rauhoittaa!